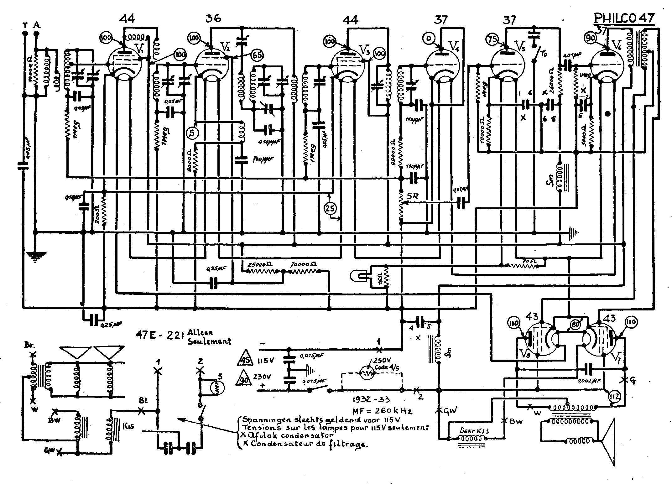
shema philco model 47

Demandez conseils aux membres experts de la SQCRA

Modérateurs: sqcra, Daniel

Message(s) : 125
Inscrit le : Jeu Juil 11, 2002 6:14 pm

shema philco model 47

Messagepar yves hebert » Sam Nov 29, 2003 3:03 am

Bonjour Je recherche le shema d'un philco model 47
keyf150@msn.com
Merci Yves Hebert

Avatar de l’utilisateur
Message(s) : 371
Inscrit le : Jeu Juil 11, 2002 6:14 pm
Localisation : Boucherville, QC

Messagepar Eric » Sam Nov 29, 2003 4:32 pm

Salut Yves,

Je t'envoie le shéma par e-mail.

Eric

Avatar de l’utilisateur
Message(s) : 6
Inscrit le : Jeu Juil 11, 2002 6:14 pm
Localisation : Correze FRANCE

Messagepar adebordes » Mer Avr 14, 2004 2:02 pm

Le voila
Pièces jointes
bs10148.png
(58.2 Kio) Téléchargé 482 fois

Retour vers Aide Technique

Qui est en ligne ?

Utilisateur(s) parcourant ce forum : Aucun utilisateur inscrit et 28 invité(s)