pilot lamp
4 messages
• Page 1 sur 1
pilot lamp
Bonjour Je voudrais savoir quel est le numéro des 2 pilot lamps sur un
RCA model 1040w année 1975 +ou-
Merci Yves
RCA model 1040w année 1975 +ou-
Merci Yves
Re: pilot lamp
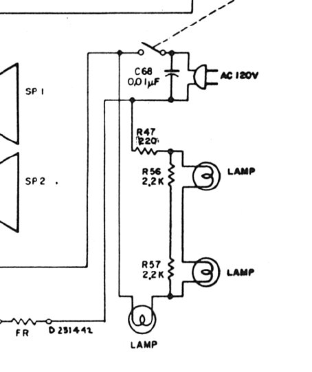
Bonjour Yves, selon le schéma il y a trois ampoules sur ton radio et il est fort probable qu'il y en ait deux types. Malheureusement, le type d'ampoule n'est pas indiqué. Je joins le schéma des ampoules au cas ou quelqu'un pourrait déterminer la valeur probable de celles-ci à partir des résistances du circuit et avec une photo, trouver le type exact.
Bonne recherche.
Jean Marcotte
Bonne recherche.
Jean Marcotte
Re: pilot lamp
Merci Jean pour ta réponse c'est vraie il en a trois 2 qui éclaire pour les postes
ceux là il n'y a rien d'écris sur l'ampoule mais c'est la même grosseur qu'une 44 mais les filaments
ne sont pas pareil et l'autre il est écris 2.4 v 3 w et la douille
de l'ampoule est plus petite qu'une 44
Merci Yves
ceux là il n'y a rien d'écris sur l'ampoule mais c'est la même grosseur qu'une 44 mais les filaments
ne sont pas pareil et l'autre il est écris 2.4 v 3 w et la douille
de l'ampoule est plus petite qu'une 44
Merci Yves
Re: pilot lamp
Bonjour J'ai fais un erreur sur l'ampoule 2.4 volts le wattage est de 1.3 non 3 watts
Merci Yves
Merci Yves
4 messages
• Page 1 sur 1
Qui est en ligne ?
Utilisateur(s) parcourant ce forum : Aucun utilisateur inscrit et 30 invité(s)
